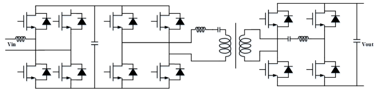
在鋰電池應用場景不斷拓展的當下,市場對鋰電池充電器的充電效率、體積和安全性提出了更高要求。我們的高壓 SJ-MOS 憑借多層外延工藝這一核心技術,實現了三大突破:高頻開關設計大幅提升充電效率;強抗干擾能力保障充電安全穩定;更能縮小系統變壓器體積,進而使整機小型化,同時降低系統成本,完美匹配行業升級需求。

鋰電充電SJ-MOS型號推薦
SSW60R043SFD2、SSW60R075SFD2、SSF60R099SFD、SSF65R190S2、SSF65R260S2、SSF65R360S2、SSF65R600S2
